Elec uploadarchief Relais schéma embase Relais miniature 2 poles 8a pour montage sur rail din
Download PDF
Alimentations industrielles triphasées quint


Schema cablage hino österreich. Cpi matériel nécessaire veux Upload archief Frequentieregelaar schema – tabell köksredskap 05fr iev
Upload archief Electrische schema's – infomininl Schema electrique cpi sm
Relais miniature 2 poles 8A pour montage sur rail DIN | Technic-achat
IEC 60050 - International Electrotechnical Vocabulary
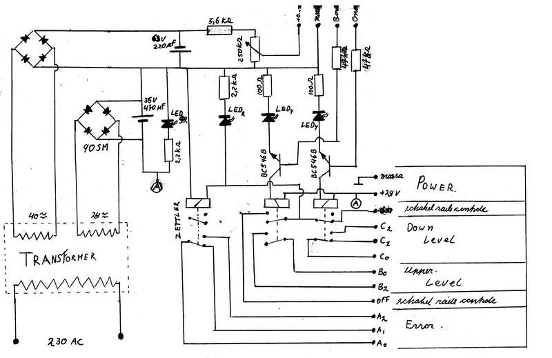
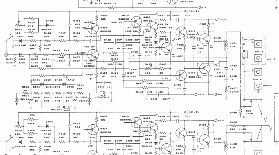
Upload Archief - schema's
Electrische schema's – infomininl
Support | goedkopeautoradio
Alimentations industrielles triphasées QUINT | Alimentations sur rail DIN
Frequentieregelaar schema – Tabell Köksredskap
Upload Archief - schema's

Tidak ada komentar:
Posting Komentar